技術文章
TECHNICAL ARTICLES
更新時間:2025-12-15
點擊次數:219
微氣象儀:憑借高精度傳感技術實時感知局部氣象要素,規避戶外安全風險【型號推薦:TH-WQX5,物聯網一體化設備,云境天合支持定制服務】在戶外探險、工程建設、農業勞作等場景中,局部氣象條件的瞬息萬變常成為威脅人身與財產安全的“隱形殺手"——山間突起的強風可能掀翻露營帳篷,工地局部雷暴可能引發觸電事故,農田短時強降雨可能造成作物倒伏。微氣象儀憑借其搭載的高精度傳感技術,成為破解這一難題的關鍵工具。通過集成微型風速風向傳感器、溫濕度探測模塊及氣壓監測單元,設備能以毫秒級響應速度捕捉方圓十米內的氣象要素變化,無論是林間穿行的氣流渦旋,還是建筑角落形成的局部對流,均難逃其“感知網絡"。當監測到風速突增、氣壓驟降等危險信號時,系統可立即觸發聲光預警,提醒人員撤離至安全區域。這種“精準感知-即時預警"的能力,讓微氣象儀成為戶外活動的“安全哨兵",在復雜環境中為使用者筑起一道動態防護屏障,大限度規避氣象因素引發的安全風險。

一、產品簡介
我司作為專業研發生產銷售微型氣象儀的企業,一直致力于微型氣象儀和氣象環境解決方案推廣應用。具有完整的生產鏈、實力雄厚的技術團隊和全面的營銷團隊,我們研發生產的超聲波風速風向儀、五要素微氣象儀、六要素微氣象儀和小型自動氣象站等氣象產品,已廣泛應用到氣象監測、城市環境監測、風力發電、航海船舶、航空機場、橋梁隧道等領域,客戶遍布全國各地,并取得了良好的社會效益和經濟效益。
與傳統的微型氣象儀相比,我司產品克服了對高精度計時器的需求,避免了因傳感器啟動延時、解調電路延時、溫度變化而造成的測量不準問題。
WQX5型五要素微氣象儀創新性地將風速、風向、溫度、濕度、大氣壓力通過一個高集成度結構來實現,可實現戶外氣象參數24小時連續在線監測,通過數字量通訊接口將五項參數一次性輸出給用戶。
二、產品特點
1、頂蓋隱藏式超聲波探頭,避免雨雪堆積的干擾,避免自然風遮擋☆
2、原理為發射連續變頻超聲波信號,通過測量相對相位來檢測風速風向☆
3、風速、風向、溫度、濕度、大氣壓力五要素一體式☆
4、采用傳感技術,實時測量,無啟動風速☆
5、抗干擾能力強,具有看門狗電路,自動復位功能,保證系統穩定運行
6、高集成度,無移動部件,零磨損
7、免維護,無需現場校準
8、采用ASA工程塑料室外應用常年不變色
9、產品設計輸出信號標配為RS485通訊接口(MODBUS協議);可選配232、USB、以太網接口,支持數據實時讀取☆
10、可選配無線傳輸模塊,最小傳輸間隔1分鐘
11、探頭為卡扣式設計,解決了運輸、安裝過程松動不準的問題☆
三、技術參數
1、風速:測量原理超聲波,0~60m/s(±0.1m/s)分辨率0.01m/s;
2、風向:測量原理超聲波,0~360°(±2°);分辨率:1°;
3、空氣溫度:測量原理二極管結電壓法,-40-80℃(±0.3℃),分辨率0.01℃;
4、空氣濕度:測量原理電容式,0-100%RH(±3%RH),分辨率:0.01%RH;
5、大氣壓力:測量原理壓阻式,300-1100hpa(±0.25%),分辨率0.1hpa;
6、功率:0.72W
7、生產企業具有ISO質量管理體系、環境管理體系和職業健康管理體系認證☆
8、生產企業具有計算機軟件注冊證書☆
9、生產企業為3Aji信用企業☆
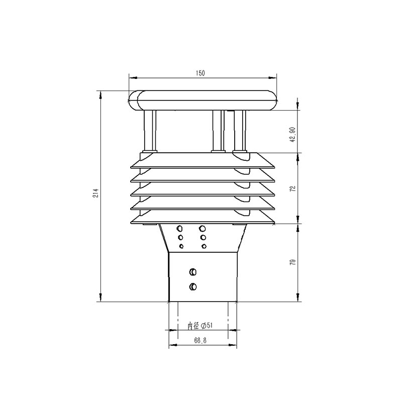
四、產品尺寸圖
五、產品結構圖
1、控制電路
2、指北箭頭
3、超聲波探頭
4、百葉箱
5、溫度、濕度、氣壓監測位置
6、底部固定法蘭
六、產品接線定義
| 定義 | 備注 | |
| VCC | 電源正 | DC12V |
| GND | 電源地 | |
| 485A | RS485A | |
| 485B | RS485B |